As we know that a what chopper can operate in any of the four quadrants by an appropriate arrangement of semiconductor devices. This characteristic of their operation in any four quadrants form the basis of their classification as class A, class B, class C, Class D, class E, etc.
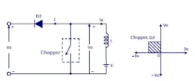
Power circuit for this type of chopper is shown in the figure. Note that load must contain a DC source of E, like a battery in this chopper circuit.
Power circuit for this type of chopper is shown in the figure. Note that load must contain a DC source of E, like a battery in this chopper circuit.
- When the chopper is in V0 = 0 but load voltage E drives current through L and chopper 2. Inductance L store energy during Ton of a chopper.
- When chopper is off mean V0 = ( E + L di/dt ) exceeds source voltage Vs.
- As result diode D2 is forward biased and also begins conditions, thus allowing power to flow to the source.
- The chopper may be ON or OFF, current I0 flows out of the load, current I0 is therefore treated as negative (-ve side).
- Since voltage V0 always positive and current I0 is negative, power flow is always from load to source.
- As load voltage V0 = (E+L di/dt) is more than a source voltage of Vs.
- Type B chopper is also called a step-up chopper.
- Both type A and type B chopper configuration have a common negative terminal between their input as well as output circuits.
